Mahsulotlar
Ichki yuqori kuchlanishni o'chirish kaliti
  • Ichki yuqori kuchlanishni o'chirish kalitiIchki yuqori kuchlanishni o'chirish kaliti
  • Ichki yuqori kuchlanishni o'chirish kalitiIchki yuqori kuchlanishni o'chirish kaliti

Ichki yuqori kuchlanishni o'chirish kaliti

Model:GN19-12
Anqiang Power - Xitoyning ichki yuqori kuchlanishli o'chirish kaliti ishlab chiqaruvchisi. Ushbu yuqori kuchlanishli o'chirish kaliti ichki turdagi bo'lib, asosan nominal kuchlanish 12KV va 50 Gts yoki undan kam o'zgaruvchan tok chastotasiga ega bo'lgan quvvat tizimlarida kuchlanish ostida, lekin yuksiz oqimni almashtirish uchun ishlatiladi.

Anqiang Power-ning yopiq yuqori kuchlanishli o'chirish kaliti uch qutbli turdagi bo'lib, u taglik ramkasi, aylanuvchi mil, birlashtiruvchi novda, chinni post izolyatorlari, kalit pichoqlari va klemens bloklaridan iborat. Aylanadigan milya taglik ramkasiga o'rnatiladi, uch juft tutqich yuqoriga payvandlanadi. Ushbu tutqichlar ulash novdalari va chinni izolyatorlar orqali kalit pichoqlariga ulanadi. Aylanadigan milya taglik ramkasidan cho'ziladi va uning har qanday qismi ish mexanizmiga ulanishi mumkin. GN19-12W ifloslanishga chidamli tur; GN19-12G - baland tog'li turdagi; GN19-12X o'rnatilgan jonli kuchlanish ko'rsatkichini o'z ichiga oladi; va GN19-12ST ikki martali o'chirish kalitidir.

Mahsulot fotosuratlari

Indoor High Voltage Disconnect Switch

Texnik parametrlar

Model va texnik xususiyatlar

Nominal kuchlanish

Nominal oqim

Nominal qisqa muddatli qarshilik oqimi

Nominal cho'qqiga chidamli oqim

GN19-12/400-12.5

12kV

400A

12,5 kV

31,5 kA

GN19-12/630-20

12kV

630A

20kV

50kA

GN19-12 / 1000-31.5

12kV

1000A

31,5 kV

80kA

GN19-12 / 1250-31.5

12kV

1250A

31,5 kV

80kA

GN19-12C/400-12,5

12kV

400A

12,5 kV

31,5 kA

GN19-12C/630-20

12kV

630A

20kV

50kA

GN19-12C / 1000-31,5

12kV

1000A

31,5 kV

80kA

GN19-12C / 1250-31,5

12kV

1250A

31,5 kV

80kA

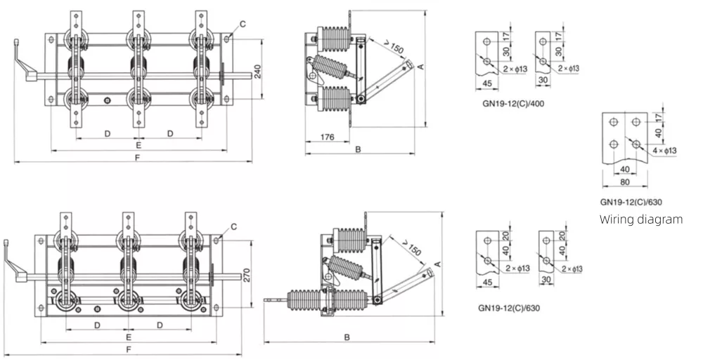
Mahsulot o'lchamlari diagrammasi

Indoor High Voltage Disconnect Switch

Model va texnik xususiyatlar

A

B

C

D

GN19-12/400

450

446

185

4-14*24

GN19-12/630

470

446

185

4-14*24

GN19-12/1000/1250

510

500

196

4-18*28

GN19-12C/400

420

690

185

4-14*24

GN19-12C/630

430

690

185

4-14*24

GN19-12C/1000/1250

470

745

196

4-18*28


Hot Tags: Yopiq yuqori kuchlanishli o'chirish kaliti yetkazib beruvchisi, ichki o'chirish kaliti zavodi, maxsus elektr kaliti ishlab chiqaruvchisi
So'rov yuborish
Aloqa ma'lumotlari
  • Manzil

    Jinlu sanoat zonasi, Beibaixiang shahri, Yueqing shahri, Wenzhou shahri, Zhejiang viloyati, Xitoy

  • Tel

O'chirish to'xtatuvchisi, yuklash kaliti, ajratish kaliti yoki narxlar ro'yxati bo'yicha so'rovlar uchun elektron pochtangizni bizga qoldiring va biz 24 soat ichida bog'lanamiz.
X
Biz cookie-fayllardan sizga yaxshiroq ko'rish tajribasini taklif qilish, sayt trafigini tahlil qilish va kontentni shaxsiylashtirish uchun foydalanamiz. Ushbu saytdan foydalanish orqali siz bizning cookie-fayllardan foydalanishimizga rozilik bildirasiz. Maxfiylik siyosati
Rad etish Qabul qiling